【専門家監修】ひと目でわかるMIWA・サッシ鍵交換刻印早見表
MIWA 2ロックのシリンダーは種類が多く、さらにTOSTEM(=現LIXIL)、三協アルミ、新日軽、YKKapなどのサッシメーカー製のドアの場合、互換性のある鍵を特定するのは非常に複雑です。
この課題を解決するため、鍵交換のプロが監修した「刻印早見表」の決定版をご用意しました。
この表を使えば、あなたの家の鍵(シリンダー)のフロントに刻まれた品番を見るだけで、交換すべき鍵の種類が判明し、DIYが可能か、業者依頼が必要かの判断も迷わず下せます。
正確な情報で不安なく交換作業に進んでください。
MIWAダブルロック玄関 鍵の型式番号を簡単に特定する方法
MIWA 2ロック 16種類の鍵タイプ一覧
表2で刻印の右側に表示されている番号は、対応するシリンダータイプを示すものです。
例えば、BH+LAとBH+LAMAの両方に「7」という番号が付いていますが、これは【MIWA LA+MIWA BH】と【MIWA LAMA+MIWA BH】が同じ鍵のタイプであることを意味します。
MIWA 2ロック 刻印タイプ一覧表
![]() |
|
![]() |
|
![]() |
|
![]() |
|
![]() |
|
![]() |
|
![]() |
|
![]() |
|
![]() |
-
MIWA 一戸建てLSP用交換シリンダー
-
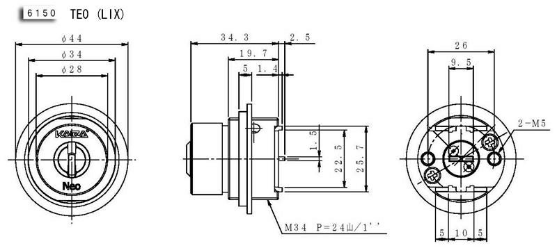
MIWA LIX(TEO)用交換シリンダー
-
MIWA LSP+LIX交換シリンダー
-
MIWA BH+LA用交換シリンダー
-
MIWA PA+LIX(LSP) シリンダー交換・玄関錠一式交換
-
MIWA DA(PA)用交換シリンダー
-
MIWA LZ用シリンダー
-
MIWA LESP錠ケース 左右共用タイプ
-
MIWA TE-02+TE-02の交換用シリンダー
-
「MIWA LAMA+TE-02」「MIWA PA+TE-02」の刻印のシリンダー交換
-
「MIWA GAA+BH」「MIWA GAA+BHSP」の刻印のシリンダー、MIWA GAA錠ケースの交換
-
MIWA JNシリンダー
-
MIWA用交換シリンダー(GOAL)
-
WESTの玄関錠【5600A】【5600】【5500】用交換シリンダー
-
WEST 飾り錠タイプ交換シリンダー(1)(従来品)
-
WEST 飾り錠タイプ交換シリンダー(2)(従来品)
-
WEST 飾り錠タイプ交換シリンダー(1)
-
WEST 飾り錠タイプ交換シリンダー(5)
-
WEST 飾り錠タイプ交換シリンダー(6)
-
WEST 飾り錠タイプ交換シリンダー(7)
-
WEST 飾り錠タイプ交換シリンダー(8)
-
ALPHA・FBロック
-
住宅メーカーの交換用シリンダー
-
三協アルミ・新日軽 MIWA GAF(POM)+FE 交換用シリンダー
-
■LIXIL【TOSTEM、新日軽】
-
■三協立山アルミ【三協アルミ、立山アルミ】
-
■YKKap
-
■不二サッシ
-
■セキスイハウス 他
-
MIWA「LAMA」と「TE-01」の玄関ドアのシリンダー交換
-
MIWA LAMAとTE-02の玄関ドアの鍵の取替え
-
MIWA TE-02 バックセット76mm交換用錠ケースのご案内

























