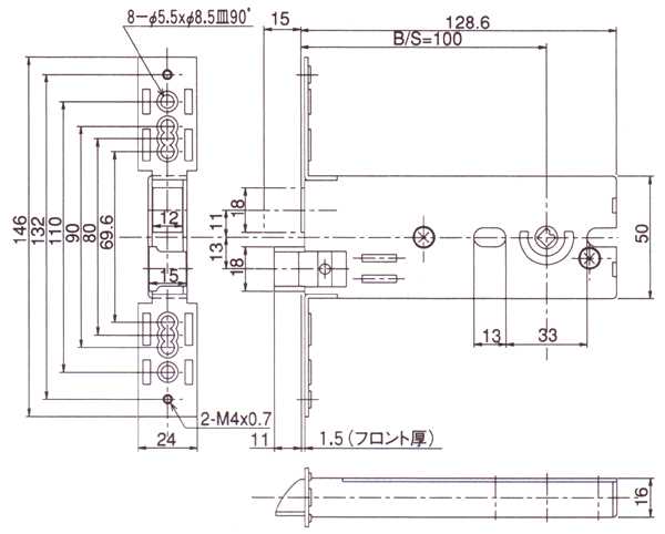
33S05-TRW-32D-100ALU用寸法図
ALPHA(アルファ)取替錠ケース
デッドボルトとラッチが別々型 33S05-TRW-32D-100ALU用 寸法図
フロント(カンヌキが出入する部分の長方形のステンレスの金属板)のビスピッチ(ビスの中心からビスの中心までの距離)も69.6mm~110mmと各社対応になっています。
錠ケースの大きさに合わせてお求め下さい。
33S05-TRW-32D-100ALU用錠ケース 寸法
| バックセット | 100mm |
|---|---|
| フロント | 横24mm × 縦146mm |
| 錠ケース | 横128.6mm × 縦50mm × 幅16mm |
| 対応ビスピッチ |
69.6mm 80mm 90mm 110mm 132mm |
